Bowl
Afula
c. 3500 BCE
Early Bronze Age I


Bowl
Afula
c. 3500-3400 BCE
Early Bronze Age I

There is no image.

Skyphos
Afula
1200 - 1000 BCE
Iron Age I

There is no image.

Strainer jug
Afula
1200 - 1000 BCE
Iron Age I

Break Photos  0

Petrographic Samples  5

Show more




Iron Age I

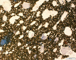
Magnification:
x40
Polarized Light?
PPL




14th - 15th c. CE
Middle-Late Islamic/Mamluk

Magnification:
Polarized Light?
XPL




13th - 15th c. CE
Crusader-Frankish/Ayyubid/early Mamluk, Middle-Late Islamic/Mamluk

Magnification:
Polarized Light?
XPL




13th - 15th c. CE
Crusader-Frankish/Ayyubid/early Mamluk, Middle-Late Islamic/Mamluk

Magnification:
Polarized Light?
XPL

Associated Kilns/Workshops