Israel/Negev coastal loess
Israel-Palestinian Authority/Southern Coastal Plain
loess
—
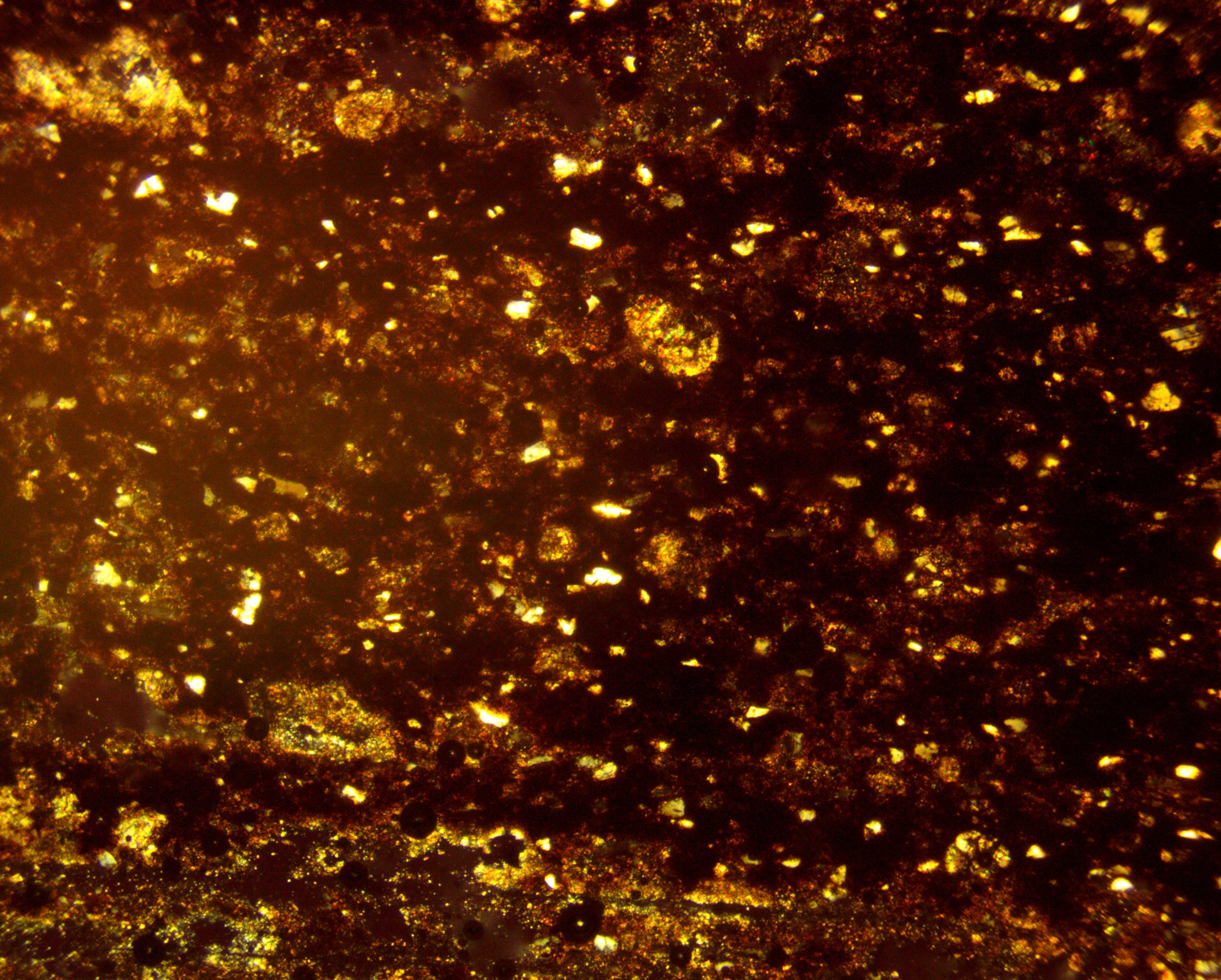
Clay derived from loess type soils; usually redish calcareous matrix and silt quartz and various amounts of quartz sand and calcareous fragments
Highly birefringent fabric with rounded quartz beach sand and shell combined with Aeolian quartz silt and accessory minerals. This is often referred to as a coastal "loess" though this petrofabric can also be derived from coastal sediments. Goren et al 2004: Loess with coastal Sand; Cohen-Weinberger 2007: Type K: loess with additional quartz calcareous sand; Ben-Shlomo 2006: Type B1: Coastal Loess; Master 2003: Coastal Loess
Clay derived from loess type soils; usually redish calcareous matrix and silt quartz and various amounts of quartz sand and calcareous fragments
c. 150 BCE to c. 37 BCE
Middle Hellenistic, Late Hellenistic
Israel-Palestinian Authority/Southern Coastal Plain
Afula (Israel/Jezreel Valley)
Ain el-Hilu (Israel/Galilee)
Ashkelon (Israel/Southern Coastal Plain)
Tel 'Eton (Israel/Shephelah)
Tel Burna (Israel/Shephelah)
Tel Qiri (Israel/Jezreel Valley)
Tel Rehov (Israel/Jordan Valley north)
Tell Megiddo (Israel/Jezreel Valley)