Vessel: Yotvata L. 149, b. 714

Context Information

Yotvata, early Islamic estate

late 7th/early 8th - 9th c. CE

Rural estate

Israel/Negev

Early Islamic - Umayyad/Abbasid/Fatimid

Str. I, Locus 149, b. 714

Vessel Details

Bowl

very coarse orange-brown fabric

Household/Utility

Hand made coil

wide gray core

Vessel Images  2


Bowl
Yotvata
late 7th/early 8th - 9th c. CE
Early Islamic - Umayyad/Abbasid/Fatimid

Bowl
Yotvata
late 7th/early 8th - 9th c. CE
Early Islamic - Umayyad/Abbasid/Fatimid

Break Photos  1


Bowl
Yotvata
late 7th/early 8th - 9th c. CE
Early Islamic - Umayyad/Abbasid/Fatimid

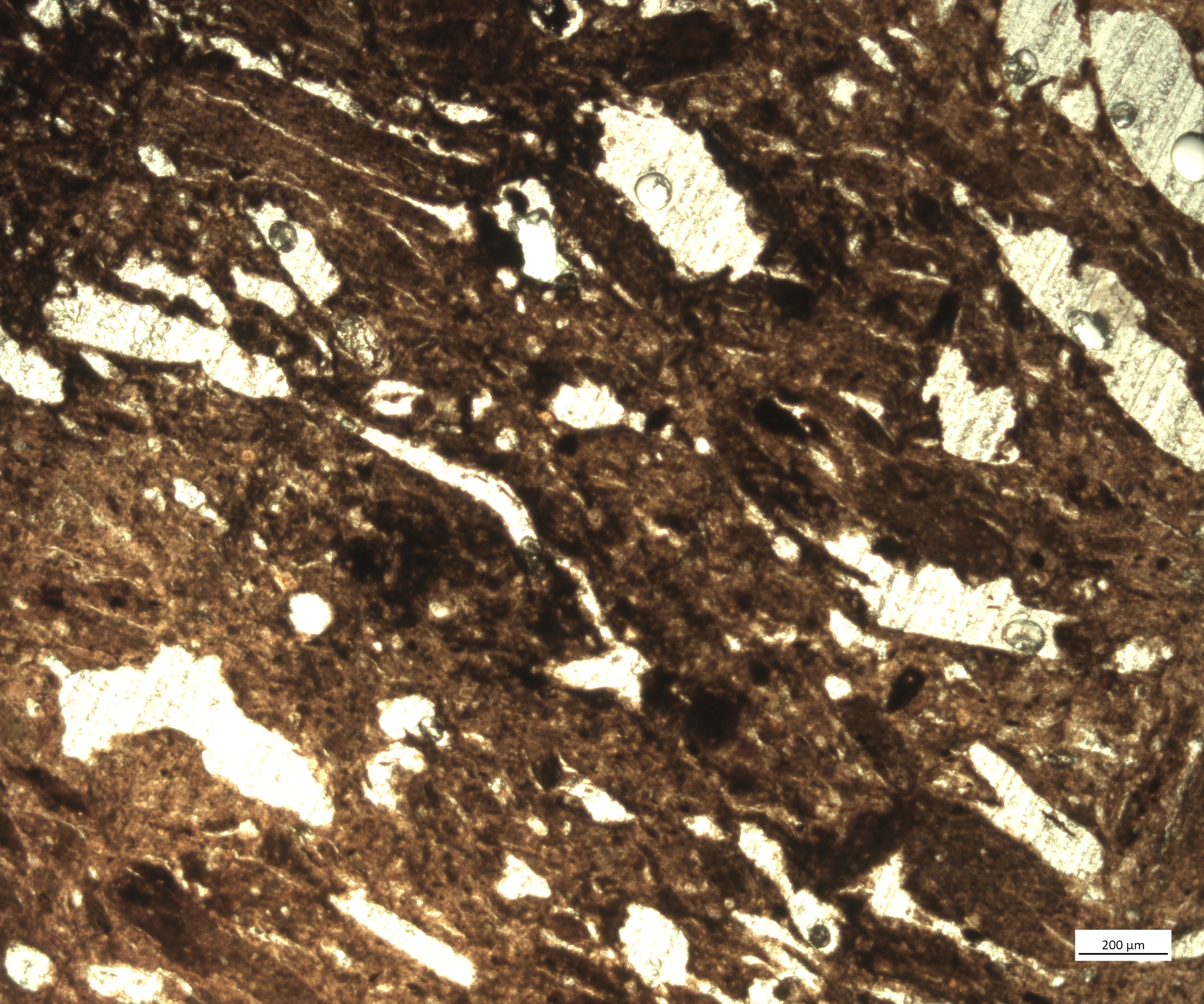
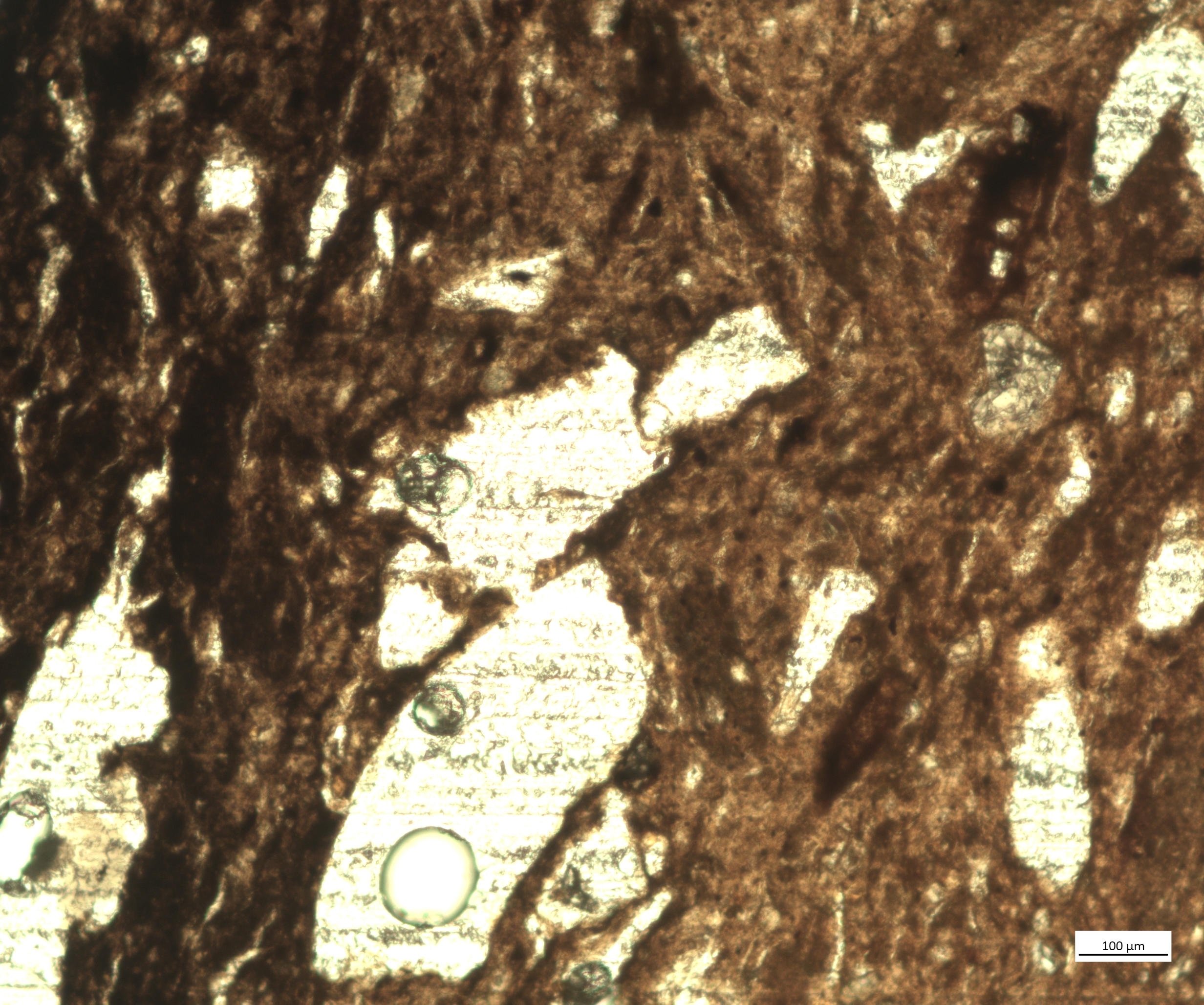
Thin Section Photos  3


Bowl
Yotvata
late 7th/early 8th - 9th c. CE
Early Islamic - Umayyad/Abbasid/Fatimid

Bowl
Yotvata
late 7th/early 8th - 9th c. CE
Early Islamic - Umayyad/Abbasid/Fatimid

Bowl
Yotvata
late 7th/early 8th - 9th c. CE
Early Islamic - Umayyad/Abbasid/Fatimid

Associated Ware/Ware Family/Style

mid-7th - 9th c. CE

Early Islamic - Umayyad/Abbasid/Fatimid