Petrofabric: Israel/Negev; Wadi 'Arabah/Hazeva Formation/shales, quartz, feldspar, chert


Body sherd, shape indeterminable
Yotvata, early Islamic estate
late 7th/early 8th - 9th c. CE
Early Islamic - Umayyad/Abbasid/Fatimid


Body sherd, shape indeterminable
Yotvata, early Islamic estate
late 7th/early 8th - 9th c. CE
Early Islamic - Umayyad/Abbasid/Fatimid


Bowl
Ein Hazeva
Iron Age


Bowl
Ein Hazeva
Iron Age

Break Photos  2


Open vessel, small
Yotvata, early Islamic estate
late 7th-early 8th - 9th c. CE
Early Islamic - Umayyad/Abbasid/Fatimid


Bowl
Yotvata, early Islamic estate
late 7th/early 8th - 9th c. CE
Early Islamic - Umayyad/Abbasid/Fatimid

Petrographic Samples  5

Show more




late 7th/early 8th - 9th c. CE
Early Islamic - Umayyad/Abbasid/Fatimid

Magnification:
50
Polarized Light?
PPL




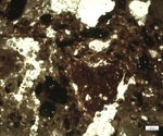
late 7th/early 8th - 9th c. CE
Early Islamic - Umayyad/Abbasid/Fatimid

Magnification:
Polarized Light?




late 7th-early 8th - 9th c. CE
Early Islamic - Umayyad/Abbasid/Fatimid

Magnification:
100
Polarized Light?
PPL




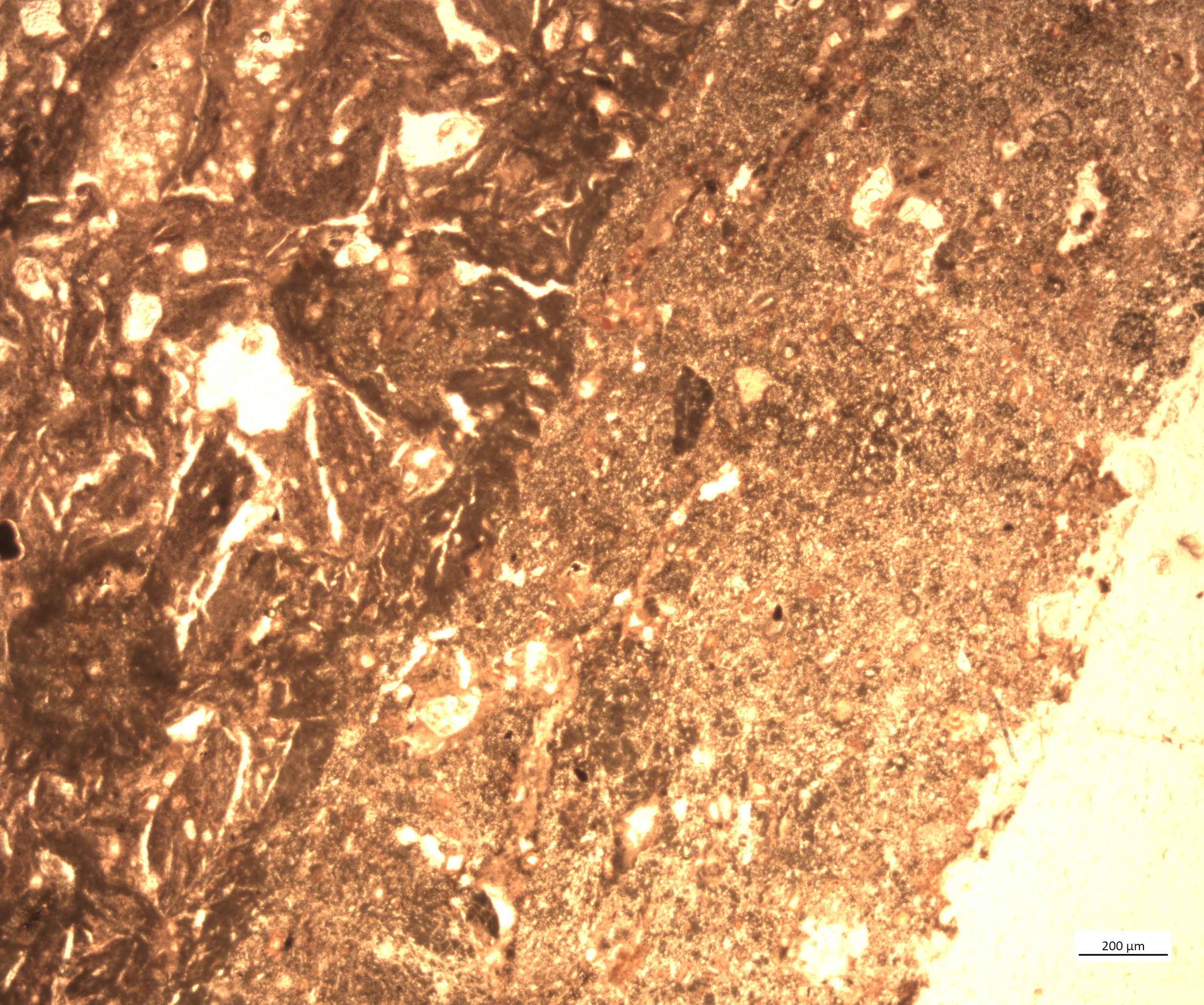
late 7th/early 8th c. - 9th c. CE
Early Islamic - Umayyad/Abbasid/Fatimid

Magnification:
100
Polarized Light?
PPL