Denise Katzjäger. "Spätantike Alltagskultur auf Elephantine, Oberägypten.Typochronologie, Funktion und kulturelle Diversität der keramischen Funde aus den Wohnhäusern um den Chnumtempel", Dr. Phil., Department for Classical Archaeology, Paris Lodron University Salzburg, 2017
Peloschek, Lisa. "Cultural Transfers in Aswan (Upper Egypt). Petrographic Evidence for Ceramic Production and Exchange from the Ptolemaic to the Late Antique Period.", PhD, Archaeometry, University of Vienna, 2015
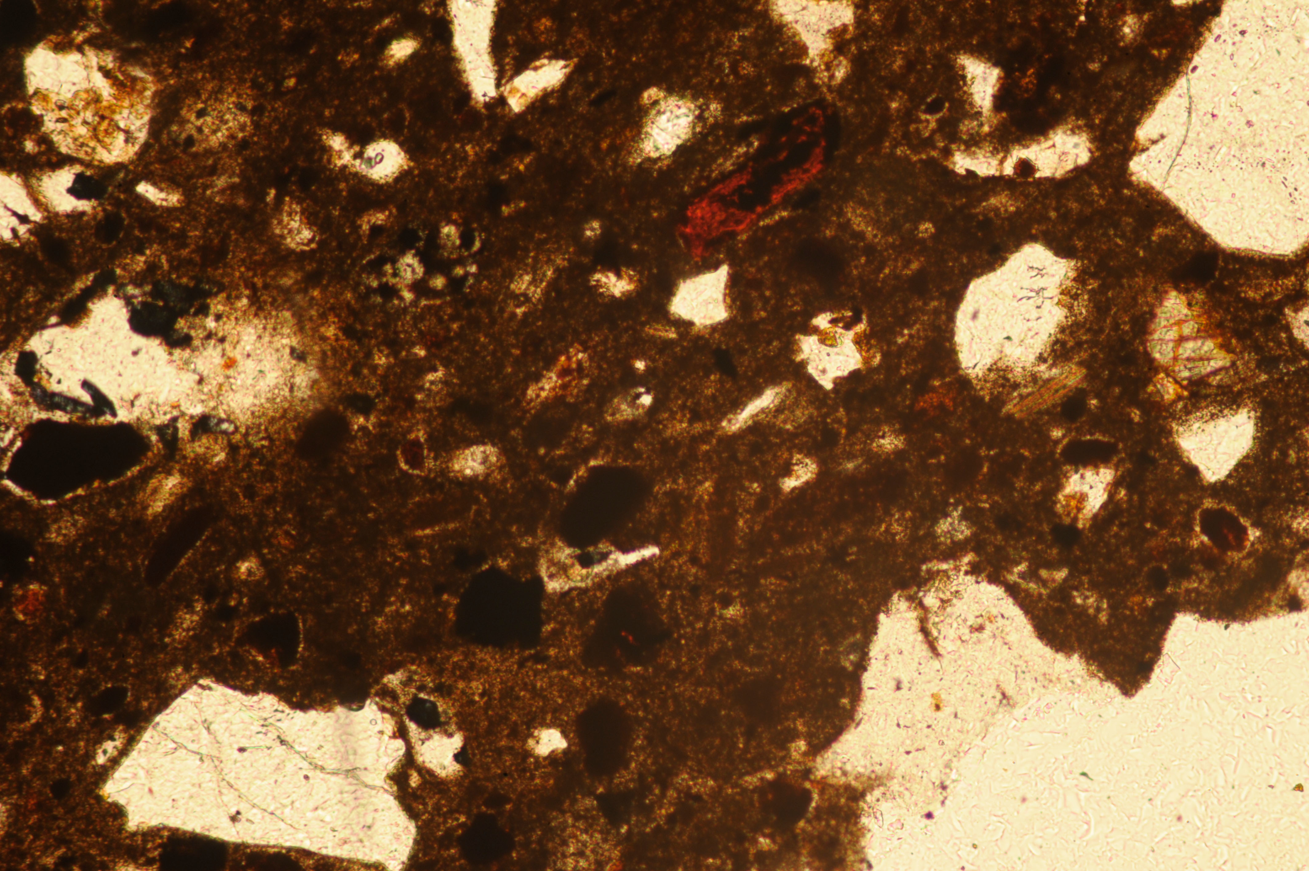
Katzjäger, Denise, Laura Rembart, Nicole High-Steskal, and Mary Ownby. “Petrographic Sample: EL12-06, Site: Aswan.” The Levantine Ceramics Project. Last modified June 20, 2018. https://www.levantineceramics.org/petrographics/6029-el12-06 .