Vessel Registration Number:

Syene 005-013-321-008-K041

Aswan, Syene

late 3rd - 2nd century BCE

Amphora

Egypt/Upper Egypt

Hellenistic/Ptolemaic

Transport/Storage

Description

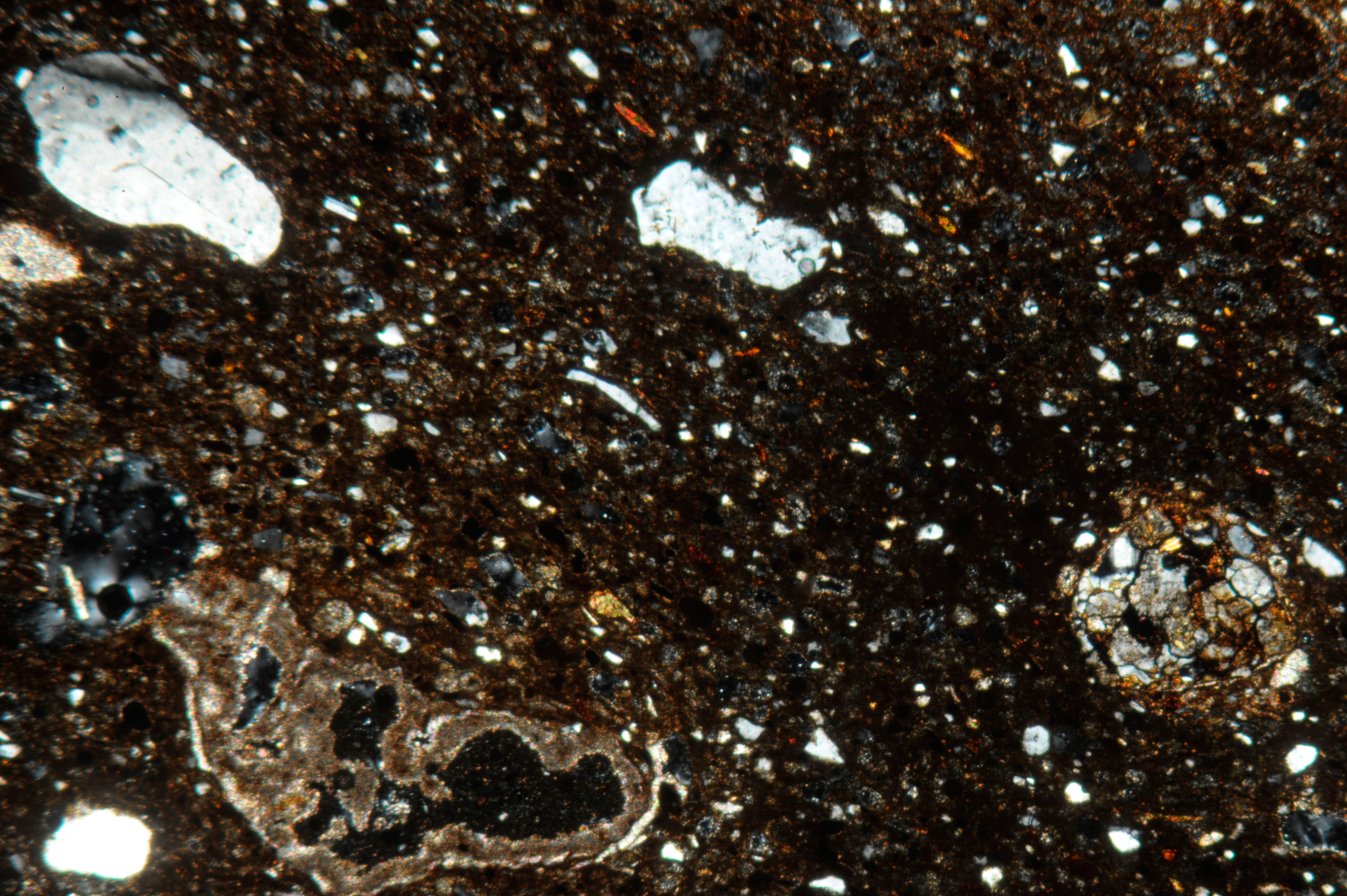
IFAO 5498

Thin Section Photos  5

Show more


Amphora
Aswan
late 3rd - 2nd century BCE
Hellenistic/Ptolemaic

Amphora
Aswan
late 3rd - 2nd century BCE
Hellenistic/Ptolemaic

Amphora
Aswan
late 3rd - 2nd century BCE
Hellenistic/Ptolemaic

Amphora
Aswan
late 3rd - 2nd century BCE
Hellenistic/Ptolemaic

Break Photos  0

Vessel Images  1


Amphora
Aswan
late 3rd - 2nd century BCE
Hellenistic/Ptolemaic

Petrographic Sample

ASW-MARL_01

Associated Petrofabric

Associated Kiln/Workshop

Associated Ware/Ware Family

3rd century BCE-1st century BCE

Hellenistic/Ptolemaic