Vessel Registration Number:

Qumran: 4993

Show more

Qumran

Israel-Palestinian Authorit...

Iron Age IIC

Description

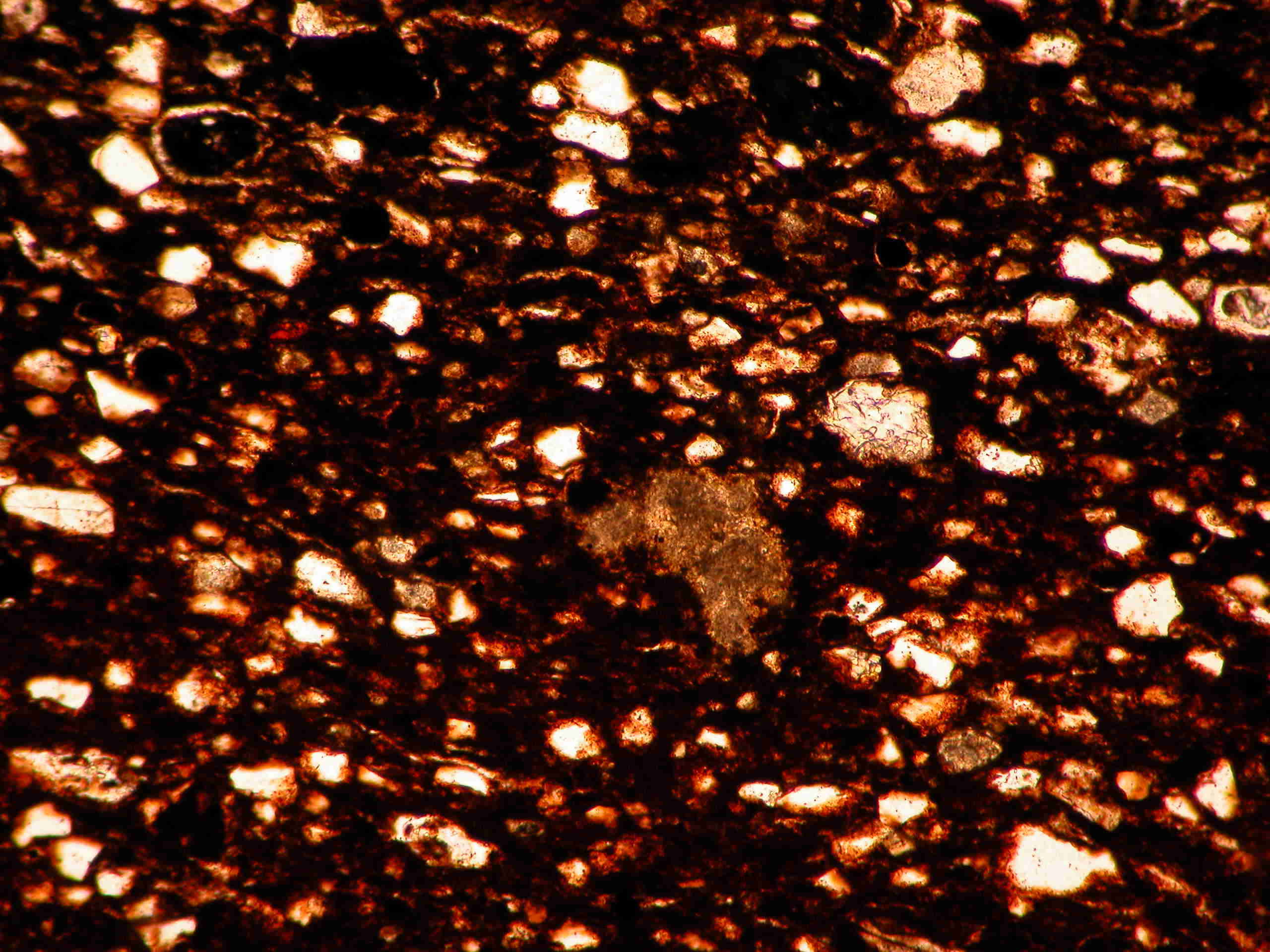
Silty clay devoid of sandy temper, chemically similar to terra rossa soil

Thin Section Photos  5

Show more


Qumran
Iron Age IIC

Qumran
Iron Age IIC

Qumran
Iron Age IIC

Qumran
Iron Age IIC

Break Photos  0

Vessel Images  0

Petrographic Sample

Central Highlands /

Associated Petrofabric

Associated Kiln/Workshop

Associated Ware/Ware Family